| 电气隔离在工业测量工艺中 |
说明
在工业工厂中,为了安全和达到最佳的信号质量,测量和控制信号的传送总会要求信号经过电气隔离处理。(见图1)

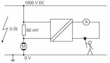
图1:危险高压的隔离
在危险高压或有爆炸危险的区域;不同的接地电位(见图2);如工厂的厂区分开很远;还有高的共模电压都不允许直接连接测量信号到工厂设备。这些情况下,电气隔离传送信号是绝对必要的。

图2:避免电位差异引起的干拢
Knick提供合适的通过各种设计的电位隔离元件满足这些要求。我们的范围包括只有6mm宽的模块,接合模块和最多有8个通道的欧洲卡。
依靠这些模块,适当的测量信号被放大和转变成10V或20mA的标准值。从几个mV到3000V电压和几个μA到10A的电流都能高精度的转换。
1.有源和无源隔离
功能原理
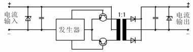
在变送器上,交流电压和交流电流更容易被传送和电气隔离。变送器是可靠的,容易生产,并且根据配置可以适合高的工作电压(隔离高压)。
变送器不适合传送直流信号。直流测量信号首先由一个电子交流发生器转变为交流。交流电压通过变送器传送到第二个电路,并在此调整交流发生器的同步频率(见图3)和进行必要的传送或放大。
 图3:隔离器的变送器隔离原理图
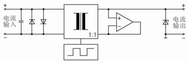
另一个运用在现在的信号处理原理,VariTrans系列的可变换隔离放大。输入信号被转换一个固定频率的矩形信号。矩形信号的主要循环依靠输入电压(脉冲宽度调制,PWM)。脉冲宽度调制矩形信号通过传送器(隔离的)被传送到输出端,通过滤器重新转变成电压或电流。(见图4) |
|
|
| PWM转换器 传送器 Rc过滤器 |
| 输入 |
|
|
|
输出 |
| 直流电压 |
|
交流电压(PWM信号) |
直流电压 |
| |
|
|
可变脉动宽度 |
|
| |
|
|
|
|
|
图4:PWM原理:脉冲宽度调制
隔离放大器的传送率是由一个微型电子控制器控制的。装置使用DIL开关控制。这些DIL开关不组成放大器电路的负反馈,仅仅替换数字信号,不带电流和也不发生接触电阻故障。
1.1有源隔离器(隔离放大器)
隔离放大器是已知的最好的测量信号电气隔离设备。除了电位隔离,这些设备也能被当作变送器把电压和电流信号转变成20mA和10V的标准信号。当测量信号1:1传送时,他们也用作增加信号的负载。隔离放大器的输入负载通常可以忽略不计。隔离放大器通常要求有外部电源供应。典型的例子如可变换的VarTransP 27000和 P 15000隔离放大器。
1.1.1 隔离放大器的单极性信号处理
仅仅用于单极性测量信号变送的隔离放大器被用在很多应用中,如处理0/4...20mA和0...10V标准信号。为了精确传送甚至接近零的信号,Knick的单极性的隔离放大器把控制范围扩展到几个百分点的负范围。(见图5)

图5:有源单极性隔离放大器原理图
1.1.2 隔离放大器的双极性信号处理
双极性测量信号通常需要被处理,如在测量发动机两个方向旋转时的电流。双极性信号在远距离测量或想得到更好分辨率时也要被处理。Knick也提供各种型号的双极性隔离放大器,如用于标准双极性信号的VariTrans A 26000。(见图4)
 图6:有源双极性隔离放大器原理图
1.2 无源隔离器
输入电流信号的电气隔离绝对需要有源的隔离放大器。无源隔离器也经常被用在没有限制的地方。
Knick的无源隔离器不需要电源供应,能源由输入端测量信号的电压降提供。在无源隔离器的基本电压需求的要求下,输入信号的负载能力将减少。无源隔离器不能进行信号放大和进行隔离,也就是输出负载直接来自输入信号。
|
|