|
|
| |
|
 |
|
| |
| 生产光电式传感器,各类电感式传感器,电容式传感器,超声波传感器,编码器/运动控制,执行机构和定位驱动,磁性传感器,精密限位开关My-Com。 |
|
|
|
|
|
|
|
|
|
|
|
|
angular range |
|
linear ±
11° |
|
|
linearity
error |
|
typ. 2,5% |
|
|
zero point
setting |
|
coarse: by
keyway; fine: seq. electronic |
|
|
temperature
coefficient |
|
-0,3 % K |
|
|
switching
frequency |
|
< 20 kHz |
|
|
voltage supply
range +Vs |
|
4,75 ... 5,25 VDC |
|
|
current consumption
max. |
|
10 mA |
|
|
output signal |
|
2 Vpp (sin,
2 periods /rev) |
|
|
signal type |
|
sine / cosine |
|
|
load resistance |
|
> 400
Ohm |
|
|
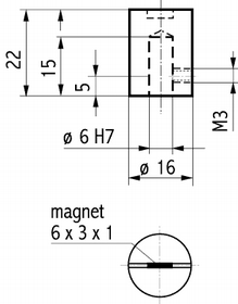
shaft type |
|
hollow shaft
6 x 15 mm |
|
|
connection
types |
|
connector |
|
|
type |
|
rectangular |
|
|
housing material |
|
brass nickel
plated |
|
|
dimension |
|
32 mm |
|
|
material
(rotor) |
|
aluminum
anodized |
|
|
installation
tolerance horizontal |
|
± 0,5 mm |
|
|
installation
tolerance longitudinal |
|
± 0,5 mm |
|
|
operating
temperature |
|
-20 ... +85 °C |
|
|
protection
class |
|
IP 67 |
|
|
|
|
|
|
|
|
| |
|
| |
|
|
| C&S
INSTRUMENT CO.,LTD Copyright ©
2006 www.con-sen.com |
|
|
|