|
|
| |
|
 |
|
| |
| 生产光电式传感器,各类电感式传感器,电容式传感器,超声波传感器,编码器/运动控制,执行机构和定位驱动,磁性传感器,精密限位开关My-Com。 |
|
|
|
|
|
|
|
|
|
|
|
type |
|
slave |
|
|
actual range
Sb (FSE 200C1002) |
|
320 mm |
|
|
sensing distance
Tw (FUE 200C1003) |
|
90 mm |
|
|
light source |
|
pulsed red
LED |
|
|
output indicator |
|
LED orange |
|
|
adjustment |
|
no |
|
|
wave length |
|
680 nm |
|
|
suppression
of reciprocal influence |
|
yes |
|
|
current consumption
max. |
|
35 mA |
|
|
output function |
|
light / dark
operate switchable |
|
|
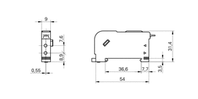
width / diameter |
|
9 mm |
|
|
height /
length |
|
31,4 mm |
|
|
depth |
|
54 mm |
|
|
type |
|
rectangular |
|
|
housing material |
|
polycarbonate/ABS |
|
|
operating
temperature |
|
-20 ... +40 °C |
|
|
protection
class |
|
IP 40 |
|
|
|
|
|
|
|
|
| |
|
| |
|
|
| C&S
INSTRUMENT CO.,LTD Copyright ©
2006 www.con-sen.com |
|
|
|